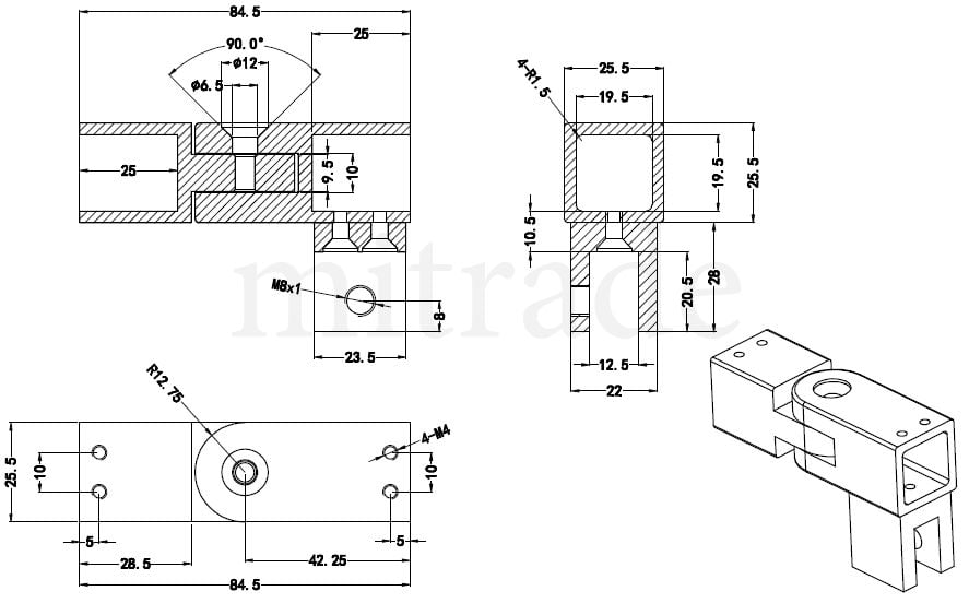
Крепление стекла к штанге 19*19мм регулируемое MT-19-08D cp
Цвет
Хром
Материал
Латунь
Толщина стекла, мм
8-10
Производитель
Mitrade
Страна производства
Россия
- Описание
Фурнитура представлена на сайте для ознакомления, ее можно приобрести только вместе с изделиями из стекла и зеркала.
Цвет
Хром
Материал
Латунь
Толщина стекла, мм
8-10
Производитель
Mitrade
Страна производства
Россия

